中文 English
了解更多>
廣泛應用在繞線機、端子機、綁線機、模切機、彎管機、印刷機、雕銑機、點膠機、食品包裝機、機械手、噴涂印染設備等機械行業;并且在注塑機、空壓機、球磨機節能改造、恒... 了解詳情>>
機型簡介電氣基本配置:SK-070QE FAS-40MT R8-2204P-N/60HK-A01330-CS2B2 (送料...
· 系統概述全自動切管機專為滿足高精度定長切割需求而設計,更換切具可定長裁切塑料管、橡膠管、復合管等各種軟硬材料管材。全自動...
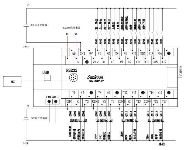
系統概述 絲網印刷機廣泛應用于PET、PVC、轉印紙膜、電熱膜、薄膜、銘板、柔性線路板、手機按鍵、3M膠、薄膜開關、桶裝紙、織帶、...
更多資訊
V/F 正弦脈寬調制模式、開環矢量控制模式、閉環矢量控制模式和直接轉矩控制模式變頻器
E系列 K系列 N系列 G系列 系列詳情 B系列 H系列 新款 T 系列
PLC一體機 運動控制器 單板PLC
伺服與運動控制 變頻器